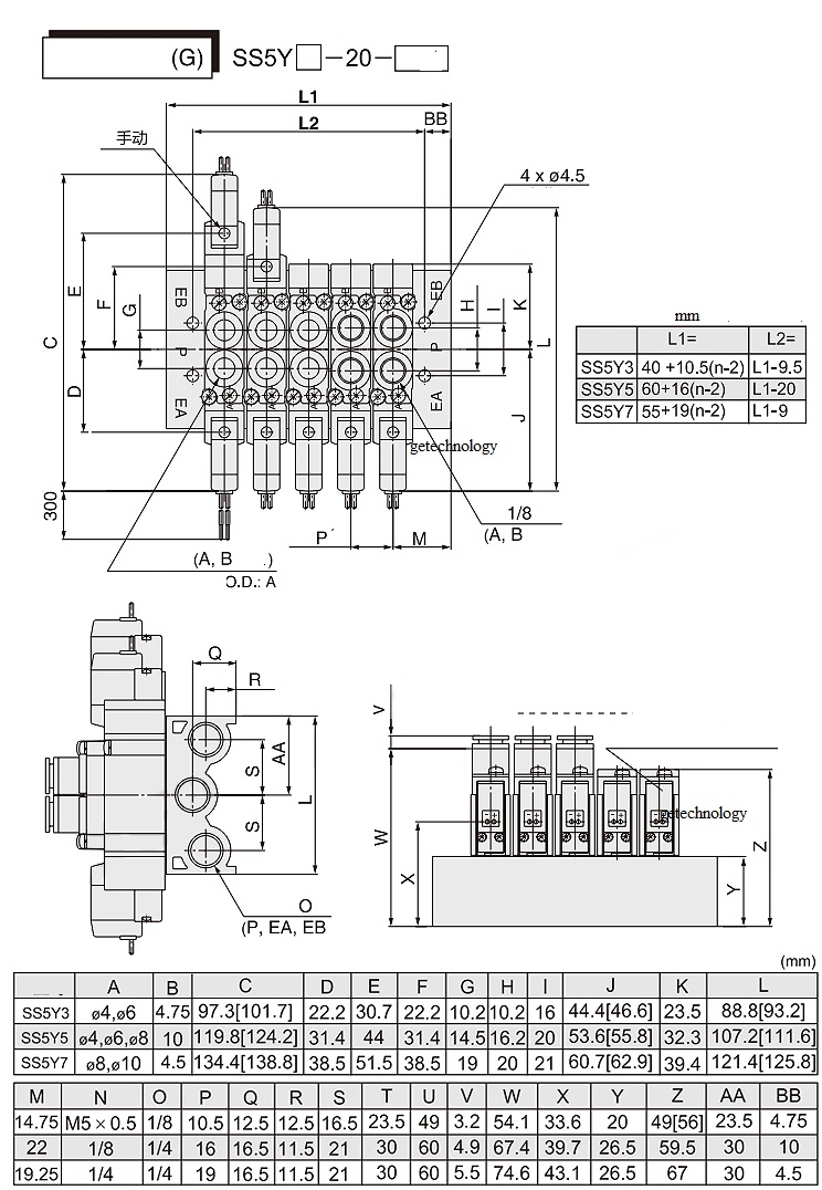
Đế van SS5Y3-20-03 SS5Y3-20-05 SS5Y3-20-07 dùng cho van điện từ dòng SY3000









Đế van lắp cho các dòng van điện từ SY3000
SY3120-5LZD-M5
SY3120-5LZD-C4
SY3120-5LZD-C6
SY3120-5LZ-M5
SY3120-5LZ-C4
SY3120-5LZ-C6…
GE có bán cả dòng đế van SS5Y5 cho dòng SY5000
Nắp bịt đế van
Các phụ kiện như đầu nối, nắp bịt, giảm âm theo yêu cầu
Khách hàng liên hệ để được tư vấn nếu cần thiết
Thông tin xin liên hệ



Đánh giá
Chưa có đánh giá nào.