Núm hút, giác hút chân không ZP06BS ZP08BS ZP10BS ZP13BS ZP16BS ZP20BS ZP25BS ZP32BS
Thông số kỹ thuật:
Vật liệu 2 lớp: vòng tròn kim loại trên đầu, silicone là lớp núm hút
Vật liệu Độ cứng: 40 – 80 shore A
Kích thước: Theo tiêu chuẩn hãng
Độ dày sản phẩm: Theo tiêu chuẩn hãng sản xuất
Ảnh thật:













Một số đặc điểm khác của sản phẩm: Chịu nhiệt độ cao, chịu hóa chất, chịu thời tiết, chịu mài mòn, chống tĩnh điện.
Nhiệt độ có thể phá hủy: 150 độ Độ cứng bền vững: 50-55 độ Ứng dụng trong các nghành công nghiêp lắp ráp, dây chuyền, mát xa, đóng gói thực phẩm…
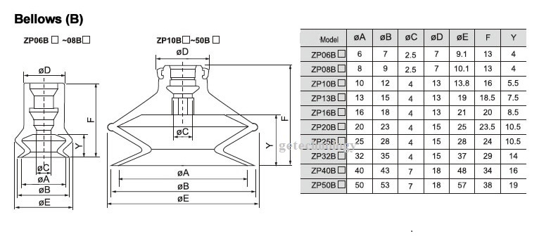
Đường kính giác hút: phi 6,8,10,13,16,20,25,32,40,50mm
Kiểu giác: B Ống thổi
Các Series sản phẩm ZP Kí hiệu BS là màu trắng, BN là màu đen
cung cấp các sản phẩm giác hút chân không dòng ZPT khách hàng có nhu cầu tham khảo xem tại đây.
- ZP06BS
- ZP08BS
- ZP10BS
- ZP13BS
- ZP16BS
- ZP20BS
- ZP25BS
- ZP32BS
- ZP40BS
- ZP50BS
- ZP06BN
- ZP08BN
- ZP10BN
- ZP13BN
- ZP16BN
- ZP20BN
- ZP25BN
- ZP32BN
- ZP40BN
- ZP50BN
Thông tin xin liên hệ



Đánh giá
Chưa có đánh giá nào.