GIẢM THANH ĐẦU BẰNG PSV- GIẢM ÂM NGẮN ( TIÊU ÂM) PSV-M5 PSV-1 PSV-2 PSV-3 PSV-4
Thông tin sản phẩm:
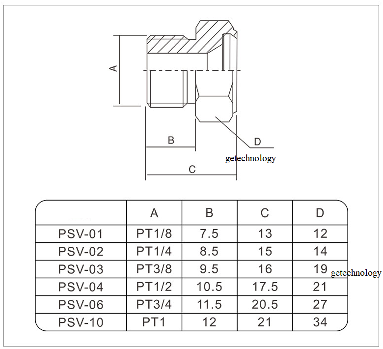
Chất liệu: Đồng
Ứng dụng: Giúp giảm ồn khi hơi xả ra từ van
Kích cỡ: Có 4 cỡ ren khác nhau: 9.6(01), 13(02), 17(03), 21(04)
Dễ dàng sử dụng tháo lắp, gọn nhẹ.
Dòng sản phẩm có sẵn các Model sau
Giảm âm đồng đầu bằng PSV-M5 ren M5
Giảm âm đồng đầu bằng PSV-4 ren 1/2
Giảm âm đồng đầu bằng PSV-3 ren 3/8
Giảm âm đồng đầu bằng PSV-2 ren 1/4
Giảm âm đồng đầu bằng PSV-1 ren 1/8
Giảm âm đồng đầu bằng PSV-6 ren 3/4
Giảm âm đồng đầu bằng PSV-10 ren 1 inch





Đánh giá
Chưa có đánh giá nào.